ダンカン、ヨーヨーファクトリーに続く、第3のコラボブランドはシュトルム・パンツァー!

ヨーヨーはおまけ、薄い本が本体というコンセプトに奇抜な形状のヨーヨーが多いイメージで決して万人向けとはいえない”イメージ”のあるシュトパンですが、ヨーヨーそのものの設計思想は至極まともで真理をついています。
またコレクションモデルとしての展開も、プロデューサー自身がコレクターであり、その心理を知っている点を活用し、競技用ヨーヨーとは一線を画した商品ラインナップとマーケティングで他社を寄せ付けない独走態勢でヨーヨー界に旋風を巻き起こし続けています。
そんなブランドの姿勢に魅力を感じ、コレクションしていた経緯もあり、66シリーズを立ち上げるにあたり、実は一番最初にオファーさせていただいたブランドがシュトパルム・パンツァーでした。
66percent自体はブランドコンセプト(=縛り)を66%に据えたものの、魅力的な手にとってみたいと言えるヨーヨーがなければ始まりません。またいまのヨーヨーのマーケティングの99%が”競技用”というモデルを中心に展開している中、使っていて楽しい、コレクション性を求める新しいブランドである66percentにとって既存ブランドとのコラボを主とする展開をしていくのであれば競技性に主眼を置いたヨーヨーの性能をアピールするのではなくなるため、コレクション性の高いブランドとのコラボレーションは必須となります。

究極のヨーヨーコレクションリストを完成するべく、テスト機的な位置づけだったヘイメーカーはさておき、ダンカンのバラクーダ、ヨーヨーファクトリーのシャッターに並ぶヨーヨーの歴史の中に記録として残しておきたい機種といった時にステルスオーガは外せないモデルの一つでした。
バイメタルの正しい評価が定まっていない段階で、ヨーヨージャムのコンセプトを正しい方向に解釈した”凶悪な”回転力を持ったステルスオーガの登場はその後のバイメタルブームの到来を予見していたかのような機種です。また最凶最悪というキャッチコピーの通り、使いやすいとか動かしやすいという競技性を一切加味しない純粋な回転体としての性能で語りかけてくる機種は強烈な個性を伴って”一部の”人たちにインパクトを与えました。使いこなせる人にとっては唯一無二の志向のヨーヨーとなりました。
ヨーヨーのデザインが洗練され、シンプルな線、一つの使いやすさという価値観に集約しつつある中、異を唱え、主張をするヨーヨーとブランドとなっています。多種多様なヨーヨーの性能、楽しみ方を提案している数少ないブランドです。

使いやすくてぶれないヨーヨーがいいという一般的な価値観の対極にあり、それを隠さないブランドの方針も拒否反応を示す層もいたと思います。過激な言動や、薄い本がメインというコンセプトにより、先入観が目を曇らせて本質を見抜く妨げになるというよい例かもしれません。逆にブランドのコンセプトが一般向けとは言い難いのはヨーヨー設計の本質をついてしまった設計者が見えない力に消されることを避けるためのカモフラージュでは?と思いを巡らせてみてはいかがでしょうか(作中の設定がヨーヨー業界は軍需産業なだけに)
ヨーヨー以外のものにとらわれず本質を見抜いてください。そしてその本質を見抜くために冊子に様々なエッセンスが散りばめられています。本編ストーリー中にも時折、ヨーヨープレイヤーに対する啓示や皮肉のようなグサッと刺さるメッセージが含まれています。ヨーヨーという作品を解釈、理解するためにも冊子が本体というのは言い得て妙です。ヨーヨーと本を合わせて読み込み使い込むという新しいヨーヨーの楽しみ方を提案しているシュトルム・パンツァー。

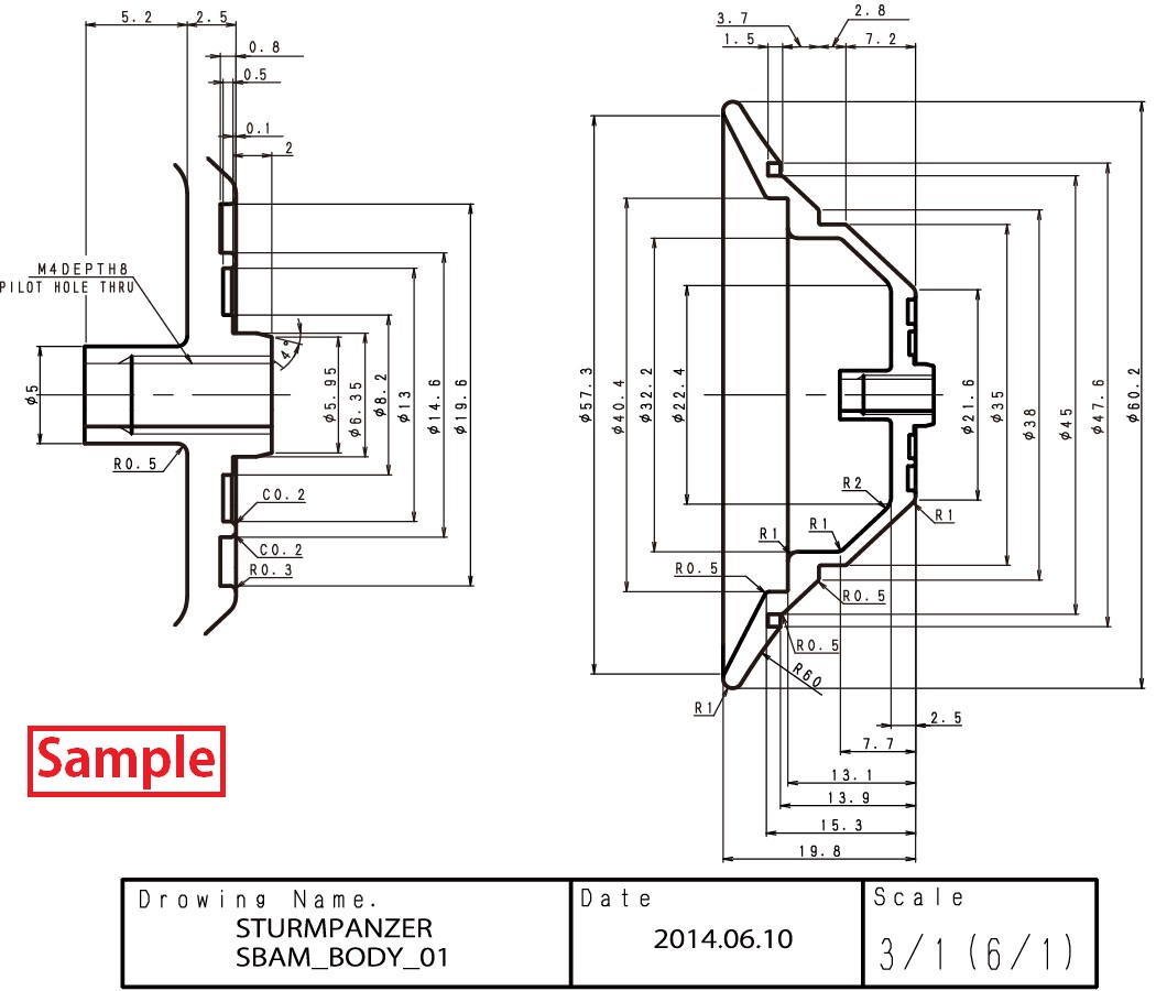
ステルスオーガのリム図面

ブレードアタックモードのボディー図面
などリム+ボディのセットの図面が惜しげもなく公開。あとは購入してのお楽しみ!
メーカーが寸法入りの図面を公開している例はいままでにない快挙ではないかと思っています。もちろんヨーヨーを作る上では組み立てや図面から直接マシンに数値を入れるときの”塩梅”のような物が必要でこれをみればだれでもすぐにヨーヨーを作れるというものではありません。しかし図面を通じてどういう重量バランスだとどのようなフィーリングになるかということを確認できるのはシュトルム・パンツァーコレクターに限らず、すべてのヨーヨープレイヤーにとっては大きな出来事だと思います。終焉が決まっているブランドならではのノウハウ開示。この業界の”掟破り”もシュトルムパンツァーの魅力だと思います。
ステルスオーガ66も初めてシュトルム・パンツァーというブランドに触れる人にもわかりやすく、入門編としても面白い位置づけになっていると信じています。これを機にシュトルム・パンツァーの世界に触れてみませんか?
純粋なヨーヨーコレクションとして”面白い”機種を選んでいく中でステルスオーガは外せない性能と、登場の仕方、新しいブランドのスタートを切った歴史的モデルという意味を込めて66percentのラインナップに加わってもらいました。
発売は11月3日0時を予定しています。


